服务热线: 0571-88183099 咨询热线:136  6666  0767

万鑫灯饰 灯带 WX-L20003

产品分类:灯带

产品描述:DC12/24V低压供电,安全节能,高亮度低功耗,LED灯带5050贴片灯珠,60粒每米,14.4W/米,120°发光角度……

订购热线: 0571-88183099

产品详情

万鑫灯饰 灯带 WX-L20003

万鑫灯饰  LED灯带 WX-L20003


【尺寸图】

万鑫灯饰 灯带 WX-L20002


【光电性参数】

产品型号 颜色 板宽 流明值(CRI>80)

流明(CRI>90

S5050RGB-60S-AA R/G/B/Y 10mm ----- -----
S5050W-12/24-60S-AA white 10mm 945lm/m 706lm/m
S5050W-12/24-60S-AAA
white
10mm
975lm/m 760lm/m
S5050WW-12/24-60S-AA
warm white
10mm
740lm/m 564lm/m
S5050WW-12/24-60S-AAA
warm white
10mm
840lm/m 676lm/m


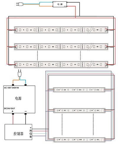
【5050套管系列(60灯/米)连接方法】

多种定制方式
  • 定制方式一定制方式一

    提供灯具效果图、尺寸、材质、我们按照要求生产。

    立即咨询
  • 定制方式二定制方式二

    提供所需灯具要求、尺寸,我们提供灯具定做方案并生产。

    立即咨询
  • 定制方式三定制方式三

    我们上门提供灯具定做方案、设计并按要求生产。

    立即咨询
  • 定制方式四定制方式四

    根据我们现有的工程灯具款式,加以延伸创意,我们生产。

    立即咨询
我要定制*表示必填
  • 请填写您的姓名,方便我们联系您
  • 请填写您的手机号码
  • 请填写采购的产品数量和产品描述,方便我们进行统一备货。
  • 提交 重置
在线咨询